產品應用
淺析燃氣夾層鍋結構
來源:杭州惠合機械設備有限公司 發布日期:2013-04-19 09:19:31 點擊次數:5891

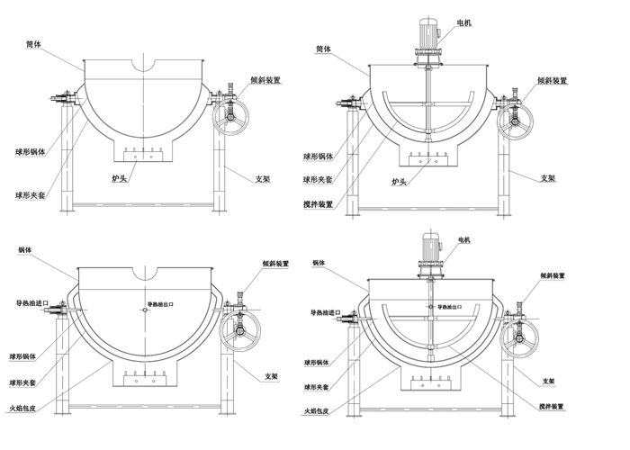
燃氣夾層鍋結構示意圖
其中燃氣夾層鍋主要由鍋體和可傾架組成,它可以分為帶攪拌和不帶攪拌;帶攪拌的主要由鍋體、支腳、攪拌器組成,而不帶攪拌的則由鍋體和支腳組成。
燃氣夾層鍋結構主要由鍋體和可傾架組成;攪拌有刮邊刮底攪拌和普通攪拌。

燃氣夾層鍋
現在主要介紹一下可傾式燃氣夾層鍋的鍋體傾斜方法:
首先擰緊撐架上的兩顆緊定螺釘,在搖轉鍋體時燃氣夾層鍋兩端的進氣管和出水管不允許隨鍋轉動。安裝好后攪拌式燃氣夾層鍋,應作空車試運檢查,待各轉動部件運轉正常后,方可投產使用。進汽后,如接頭漏氣可旋緊螺帽,直到不漏為止。
惠合機械生產的夾層鍋具有耐高溫、耐腐蝕、生產能力強、不用蒸汽加熱等優點,廣泛用于醫藥、飲料、化工、顏料、樹脂、科研等工業部門。
閱讀此文章的人還閱讀了:
結語:通過以上這篇文章的介紹,相信每一位讀者朋友們對淺析燃氣夾層鍋結構都有了一個非常深刻的了解。以上的注意事項的介紹,都是非常重要的知識點。
- 可傾式電加熱夾層鍋特點和結構原理(圖) 2021-05-17
- 夾層鍋的工作原理和特點 2021-05-17
- 蒸汽夾層鍋適用于哪些場景? 2021-05-13
- 淺談電加熱導熱油爐的9大設計要求 2017-06-20
- 醬油醋設備的6大優勢分析介紹 2016-12-27
- 五大飲料生產線加工設備主要硬件 2016-12-05
- 生產辣椒油的工藝流程及操作要點 2016-06-07
- 夾層鍋是干什么的?又如何選型呢? 2015-01-28
- 燃氣夾層鍋工作原理 2014-03-17
- 電加熱夾層鍋具體參數 2014-02-12




